Здравствуйте, меня зовут Юрий.
Два выходных дня стоят больше того, чтобы всецело посвятить их решению бытовых вопросов или, чего доброго, походу на "любимую" работу. Спасением от рабочих и бытовых проблем, от извечного слова "надо", станет замена этого слова на слово "хочется". Как это получается, представлено на страницах моего блога.Два выходных дняВ магазине FixPrice я приобрёл маленький и в некотором роде «симпатичный» паяльник стоимостью 45 рублей, изготовленный в Китае. По информации на упаковке мощность паяльника составляет 40Вт. при напряжении питания 220В.

Коническое жало паяльника легко заменяется медным жалом, используемым в 36-вольтовых паяльниках, для чего откручиваются два стопорных винта, а после замены жала закручиваются снова.



После включения паяльника в осветительную сеть напряжением 230В. температура на конце медного жала достигла 275 градусов, что превышает необходимую температуру пайки припоем ПОС-61 на 25-30 градусов. При такой температуре пайка получается неудовлетворительной. Вторым недостатком паяльника стало отслоение блестящего металлического покрытия при нагреве, поэтому покрытие лучше снять, чтобы частицы металла не попали в радиоэлектронное устройство.

Включение последовательно с паяльником диода 1N4007 сильно уменьшило температуру жала. Паяльник с трудом плавил припой ПОС-61 и прогреть спаиваемые соединения не мог.

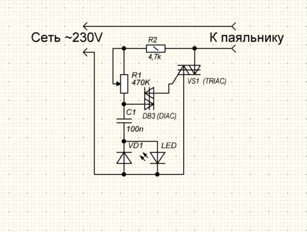
Понизить температуру жала удалось с помощью простейшего симисторного регулятора, включенного последовательного с паяльником.

В регуляторе применяются доступные по цене импортные симисторы (TRIAC) типа BT136/138, MAC9N или российские ТС106-10, КУ208Г. Симметричный динистор DB3 (DIAC) применяется в компактных люминесцентных лампах-энергосберегайках (КЛЛ) и обозначается на плате лампы как DB3. Конденсатор C1 0,1 Х 400В и диод VD1 типа 1N4007 выпаиваются оттуда же. Светодиод LED - индикатор включения устройства. Цвет значения не имеет. Переменный резистор R1 – регулятор температуры.







Регулятор монтируется на «плате» из электрокартона и помещается в коробочку. Переменным резистором устанавливается необходимая температура жала. В данном случае температура жала равная 230 град. C получилась при напряжении на паяльнике равном 200-210В. Возможно применение регулятора с другими типами паяльников. Для изменения яркости ламп накаливания и температуры электронагревательных устройств мощностью свыше 100 Ватт потребуется дополнительное охлаждение симистора.
